Connecteur sous-marin en acier inoxydable RTIE1-4M-DZ à 4 broches, compatible avec Teledyne Impulse, classé IP68 pour une utilisation avec les ROV, les lampes sous-marines et les robots marins. Avec des spécifications de 600V/3A et une durabilité à 10000psi, il est conçu pour une fiabilité sous-marine.





Le connecteur sous-marin RTIE1-4M-DZ à 4 broches est une solution sous-marine de haute précision compatible avec les connecteurs de style Teledyne Impulse. Conçu pour les ROV, les systèmes d'éclairage sous-marins et les robots marins, il présente un corps robuste en acier inoxydable et est classé pour un fonctionnement à 600V avec une capacité de courant de 3A par broche. Avec une tolérance à la pression d'eau allant jusqu'à 10000psi et un scellement IP68, ce connecteur assure une distribution d'énergie sécurisée dans des environnements sous-marins extrêmes. Qu'il soit utilisé dans des configurations en cloison ou en ligne, il offre une résistance à la corrosion et une intégrité électrique pour un déploiement sous-marin à long terme.
Marque: HYSF
Numéro de modèle: RTIE1-4M-DZ
Type: Connecteur Circulaire Compatible Teledyne Impulse
Application: ROV, éclairage sous-marin, robotique marine, systèmes d'alimentation sous-marins
Broches: 4P
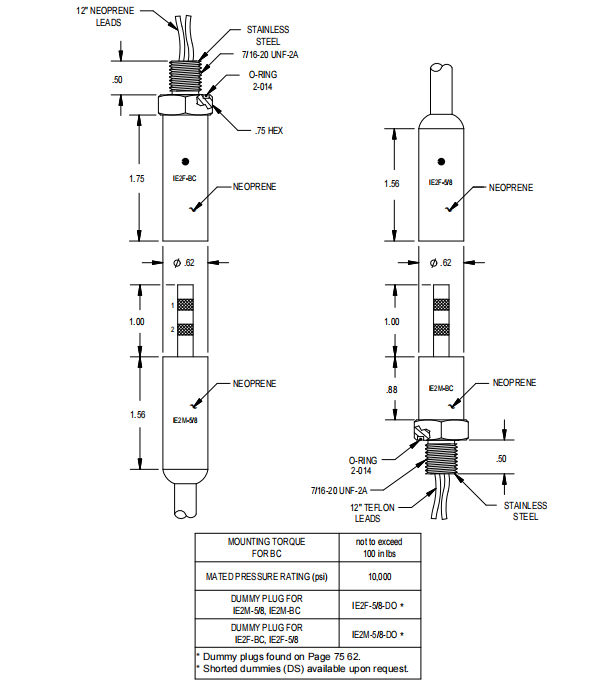
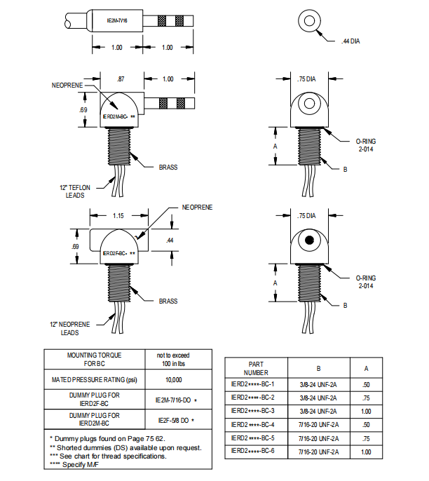
Courant nominal: 3A par broche
Tension nominale: 600V
Type de connexion: Cloison et Inline
Genre: Mâle et Femelle
Matériau de la coque: Acier inoxydable
Type de scellement: Étanche IP68
Résistance à la pression d'eau: 10000psi
Lieu d'origine: Shandong, Chine
Certification: TUV, CE, CCC
Nous sommes là pour répondre à vos besoins. Parlons de la manière dont nous pouvons vous aider.
© 2025 HYSF Underwater Connectors | Tous droits réservés.